D971X electric pinch type soft sealed butterfly valve

D971X electric pinch type soft sealed butterfly valve
  • sell:021-32051999
  • sell:021-32050777
  • fax:021-66099555

Details

  • Product Introduction
  • Service Promise
  • Ordering Process

D971X electric butterfly valve with double eccentric structure has the sealing function of tighter and tighter, and the sealing performance is reliable. The stainless steel and NBR oil resistant rubber pairs are used for sealing materials, and the service life is long. Rubber sealing ring can be located on the valve body, can also be located on the butterfly plate, can be applied to different characteristics of the medium for users to choose. The butterfly plate adopts a frame structure with high strength, large flow area and small flow resistance. The integral baking paint can effectively prevent corrosion and can be used in different media as long as the sealing material of the sealing valve seat is changed. D971X electric butterfly valve with two-way sealing function, installation is not controlled by the flow of media, and is not affected by the space position, can be installed in any direction. The valve has unique structure, flexible operation, labor saving and convenience.


Structural features and application of electric pinch type soft sealing butterfly valve


D971X electric butterfly valve adopts the center plate structure, mainly composed of valve body, valve plate, valve shaft, valve seat and transmission device, simple and compact structure, compact, compact and portable, easy to transport, installation and disassembly; 90 degrees of opening and closing, switching quickly, operating torque is small, labor-saving and light; good sealing performance, long service life, can be It achieves zero leakage, and its flow characteristics are similar to straight lines with good regulation performance. D971X electric butterfly valve is a rubber seal. When closed, the butterfly plate and seat have good sealing performance, good two-way sealing performance, small torque value, the valve keeps 100% zero leakage under working pressure, and the friction between the butterfly plate and seat seal is small. The valve drives the valve plate by the valve shaft and the valve plate rotates at 90 degrees. Butterfly plate opening and closing flexible, no card jam, beating phenomenon, torque is small. Usage: Soft sealed midline butterfly valve developed by Shanghai Qigao Valve Manufacturing Co., Ltd. The double eccentric flange butterfly valve has compact structure, easy switching at 90 degrees, reliable sealing and long service life. Widely used in water plants, power plants, steel plants, papermaking, chemical, textile, food and other water supply and drainage, gas pipes as a flow regulation and flow interception medium.


Electric clamp type soft sealing butterfly valve actuator


Technical parameters of electric actuator: power supply AC110, 220, 380V, DC24, nominal diameter DN50-1200mm, output torque 50N.M-2000N.M, nominal pressure PN0.6, 1.0, 1.6Mpa, function selection: switch type, passive contact type, valve position signal feedback type, intelligent regulation type. Suitable for medium water, gas, oil and weak corrosive fluid, input signal 4-20mA, 1-5V, 0-10V; output signal: 4-20mA, 1-5V, 0-10V. Easy to use: single-phase power supply, simple wiring; the use of original ball protruding structure, so that observation is more convenient; no oil, no point inspection, waterproof, rust-proof, arbitrary angle installation. The protection device has double limits, overheating protection and overload protection. The total travel time is 5 seconds, 10 seconds, 15 seconds, 30 seconds, 45 seconds, 60 seconds. And manual function. The built-in module adopts advanced computer monolithic and intelligent control software to receive standard signals (4-20mA DC/1-5VDC) from computer or industrial instruments directly to realize intelligent control and accurate positioning of valve opening.


Also can choose 3810 series or PSQ series, large caliber valves generally use 380VAC electric actuator.


Electric clamp type soft sealing butterfly valve parts material


零件名稱
材料
閥體
灰鑄鐵、球墨鑄鐵、鑄鋼、不銹鋼、特殊材料
蝶板
球墨鑄鐵、鑄鋼、不銹鋼、合金鋼
閥軸
2Cr13、不銹鋼
密封圈
各種橡膠、聚四氟乙烯
填料
O型圈、柔性石墨


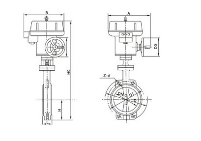
Dimensions of electric pinch type soft sealed butterfly valves


DN
L
H
H1
A
B
0.6MPa
1.0MPa
1.6MPa
DO
n-d
DO
n-d
DO
n-d
50
43
63
306
180
200
110
4-14
125
4-18
125
4-18
65
46
70
321
180
200
130
4-14
145
4-18
145
4-18
80
46
83
346
180
200
150
4-18
160
8-18
160
8-18
100
52
105
387
180
200
170
4-18
180
8-18
180
8-18
125
56
115
411
180
200
200
8-18
210
8-18
210
8-18
150
56
137
447
270
280
225
8-18
240
8-22
240
8-22
200
60
164
572
270
280
280
8-18
295
8-22
295
8-22
250
68
206
646
270
280
335
12-18
350
12-22
355
12-26
300
78
230
738
380
420
395
12-22
400
12-22
410
12-26
350
78
248
761
380
420
445
12-22
460
16-22
470
16-26
400
102
289
877
450
470
495
16-22
515
16-26
525
16-30
450
114
320
938
480
490
550
16-22
565
20-26
585
20-30
500
127
343
993
480
490
600
20-22
620
20-26
650
20-33
600
154
413
1131
480
490
705
20-26
725
20-30
770
20-36
700
165
478
1476
640
660
810
24-26
840
24-30
840
24-36
800
190
525
1533
640
660
920
24-30
950
24-33
950
24-39
900
203
585
1655
750
860
1020
24-30
1050
28-33
1050
38-39
1000
216
640
1765
850
900
1120
28-30
1160
28-36
1170
28-42
1200
254
755
1995
850
900
1340
32-33
1380
32-39
1390
32-48


The best quality, first-class service Qigao creates more value for you!

"Qigao Valve" expects to continuously improve service quality and strive for excellence. "Sincere service" is the eternal theme of "Qigao". "Qigao" strictly followsIS09001-2000 Quality system certification requirements, strict quality control, responsibility to people, to ensure the healthy operation of production, sales and service. Strengthen communication with users and provide quality products to our customers with perfection and perfect service. Hereby our factory makes the following commitments:

Product Standards:

Products in strict accordance with ChinaGB、HG Standard and USAPISuch as standard design, manufacturing, acceptance. The hardness of the sealing surface meets the requirements of the state and the width exceeds the national standard.

pre-sale service:

Product introduction, technical exchange, non-standard product design, troubleshooting。

Sale service:

A trustworthy contract guarantees timely delivery and keeps in touch with customers. For special or duplicate products, our factory arranges technicians to use and troubleshoot the products for users.

After sales service:

1、"Qigao" brand product quality period is from the factory12In the month, the implementation of the "three guarantees" service (return, replacement, warranty).

2、During the use of our products, our factory regularly organizes technical and quality inspection personnel to visit and consult users for feedback on product quality, usage status and improvement opinions, so as to further improve product quality.

3、Respond quickly to the quality of user complaints, after-sales service personnel rushed to the scene in 24-36 hours (48 hours outside the province).

4、For after-sales service, users are required to fill out the quality feedback information form after the service and make an appraisal opinion in order to improve the service quality of Qigao.

1、If the customer has special requirements for the product, the following instructions must be provided in the order contract.:

a、Structure length;

b、Connection Type;

c、Nominal diameter, full diameter, reduced diameter, pipe size;

d、Operating medium and temperature, pressure range;

e、Tests, inspection standards and other requirements

2、The factory can configure various types of driving devices according to customer's specific requirements.。

3、If the type and model of the valve are determined by the customer, the customer shall correctly state the meaning and requirements of the model and sign the contract under the condition that the supplier and the buyer understand each other.

4、For futures and order customers, please call us in advance to tell the required valve model, specification, quantity, delivery time and location, and timely transfer to the factory account according to the total 30% deposit or full payment. The rest of the payment is pending. Import before shipment to arrange delivery in time.

 

Order Process:

1、Customer purchase list fax to021-33872143,Or call us 021-33872141

2、Receive customer purchase list, provide valve model selection and quotation (price list)。

3、Specific agreement: delivery date, special requirements, etc.。

download Google:

1、If the customer has special requirements for the product, the following instructions must be provided in the order contract.:

a、Structure length;

b、Connection Type;

c、Nominal diameter, full diameter, reduced diameter, pipe size;

d、Operating medium and temperature, pressure range;

e、Tests, inspection standards and other requirements

2、The factory can configure various types of driving devices according to customer's specific requirements.。

3、If the type and model of the valve are determined by the customer, the customer shall correctly state the meaning and requirements of the model and sign the contract under the condition that the supplier and the buyer understand each other.

4、For futures and order customers, please call us first to tell the required valve model, specifications, quantity, delivery time and location, and press the total30%The deposit or full payment will be remitted to our factory account in time., The rest of the payment will be remitted before shipment to arrange delivery in time.。

Sale service:

Trustworthy contract, guarantee timely delivery, keep in touch with customers at any time。

For special or duplicate products, our factory arranges technicians to use and troubleshoot the products for users.

After sales service:

1、"Qigao" product quality period is from the factory12Month, practiceThree packsService (return, replacement, warranty)。

2、During the use of our products, our factory regularly organizes technical and quality inspection personnel to visit and consult users for feedback on product quality, usage status and improvement opinions.,
In order to further improve product quality。

3、Respond quickly to the quality of user complaints, after-sales service personnel24-36Hours (outside the province48Hour) rushed to the scene。

4、For after-sales service, the user is required to fill out the quality feedback information form after the service and make an appraisal opinion in order to improve the service quality of “Qigao”.。

statement

  1. All text, data and pictures in this article are for reference only.D971X electric pinch type soft sealed butterfly valvePlease contact us at 4000-700-665 for details of performance, size and price.
  2. If there is no explanation, this article is original, reprint, please indicate the address of this article, thank you for your cooperation!