D941X electric flange soft seal butterfly valve

D941X electric flange soft seal butterfly valve
  • sell:021-32051999
  • sell:021-32050777
  • fax:021-66099555

Details

  • Product Introduction
  • Service Promise
  • Ordering Process

D941X electric flange soft seal butterfly valve is made of rubber sealing butterfly valve and carbon steel or stainless steel valve plate and stem. It is suitable for water supply and drainage of food, medicine, chemical industry, petroleum, electric power, light textile, papermaking, etc. at temperatures less than 80 ~ 120 (?)


Product features


1, the design is novel, reasonable, unique in structure, light in weight, quick in opening and closing.


2, the operation torque is small, easy to operate, labor-saving and dexterous.


3, can be installed at any location, easy maintenance.


4, seals can be replaced, reliable sealing performance, two-way seal zero leakage.


5. Sealing materials are characterized by aging resistance, weak corrosion resistance and long service life.


Design standard: GB/T2238-1989


Flange joint dimensions: GB/T9113.1-2000; GB/T9115.1-2000; JB78


Structure length: GB/T12221-1989


Pressure test: GB/T13927-1992; JB/T9092-1999


Technical parameter of electric flange soft seal butterfly valve

Nominal path
DN(mm)
50~800
Nominal pressure
PN(MPa)
0.6
1.0
1.6
Test pressure
strength test
0.9
1.5
2.4
Seal test
0.66
1.1
1.76
Airtight test
0.6
0.6
0.6
Applicable medium
Air, water, sewage, steam, gas, oil and so on.
Driving form
Manual, worm and worm gear drive, gas drive and electric drive.
Part name
Material Science
閥體
Ductile iron, cast steel, alloy steel, stainless steel
蝶板
Cast steel, stainless steel and special materials
密封圈
All kinds of rubber and polytetrafluoroethylene
閥桿
2Cr13, stainless steel
填料
O ring and flexible graphite O
Selection and application temperature of sealing materials
Variety of materials
Chloroprene rubber
Ding Qing rubber
Ethylene propylene rubber
Teflon
silicon rubber
Fluorine rubber
Natural rubber
nylon
English abbreviated
CR
NBR
EPDM
PTFE
SI
VITON
NR
PA
Model code
X or J
XA or JA
XB or JB
F or XC、JC
XD or JD
XE or JE
X1
N
Maximum temperature resistance
82℃
93℃
150℃
232℃
250℃
204℃
85℃
93℃
Minimum temperature tolerance
-40℃
-40℃
-40℃
-268℃
-70℃
-23℃
-20℃
-73℃
Applicable working temperature
0~+80℃
-20~+82℃
-40~+125℃
-30~+150℃
-70~+150℃
-23~+150℃
-20~+85℃
-30~+93℃
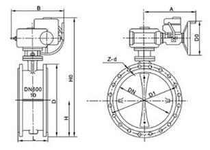
Dimensions of electric flange soft seal butterfly valves

nominal

Path

mm
length

Shape size

(reference value)

Connection size (standard value)

kg
0.6MPa
1.0MPa
1.6MPa
L
H
H0
A
B
D
D1
D2
n-d
D
D1
D2
n-d
D
D1
D2
n-d
50
108
63
306
180
200
140
110
88
4-14
165
125
99
4-18
165
125
99
4-18
13
65
112
70
321
180
200
160
130
108
4-14
185
145
118
4-18
185
145
118
4-18
14
80
114
83
346
180
200
190
150
124
4-18
200
160
132
8-18
200
160
132
8-18
15.5
100
127
105
387
180
200
210
170
144
4-18
220
180
156
8-18
220
180
156
8-18
19.5
125
140
115
411
180
200
240
200
174
8-18
250
210
184
8-18
250
210
184
8-18
25.5
150
140
137
447
270
280
265
225
199
8-18
285
240
211
8-22
285
240
211
8-22
28.5
200
152
164
572
270
280
320
280
254
8-18
340
295
266
8-22
340
295
266
12-22
48
250
250
206
646
270
280
375
335
309
12-18
395
350
319
12-22
405
355
319
12-26
69
300
270
230
738
380
420
440
395
363
12-22
445
400
370
12-22
460
410
370
12-26
91
350
290
248
761
380
420
490
445
413
12-22
505
460
429
16-22
520
470
429
16-26
110
400
310
289
877
450
470
540
495
463
16-22
565
515
480
16-26
580
525
480
16-30
140
450
330
320
938
480
490
595
550
518
16-22
615
565
530
20-26
640
585
548
20-30
180
500
350
343
993
480
490
645
600
568
20-22
670
620
582
20-26
715
650
609
20-33
215
600
390
413
1131
480
490
755
705
667
20-26
780
725
682
20-30
840
770
720
20-36
290
700
430
478
1476
640
660
860
810
772
24-26
895
840
794
24-30
910
840
794
24-36
560
800
470
525
1533
640
660
975
920
878
24-30
1015
950
901
24-33
1025
950
901
24-39
910
900
510
585
1655
750
860
1075
1020
978
24-30
1115
1050
1001
28-33
1125
1050
1001
28-39
1500
1000
550
640
1765
850
900
1175
1120
1078
28-30
1230
1160
1112
28-36
1255
1170
1112
28-42
1750
1200
630
755
1995
850
900
1405
1340
1295
32-33
1455
1380
1328
32-39
1485
1390
1328
32-48
2180
1400
710
910
2310
1000
925
1630
1560
1510
36-36
1675
1590
1530
36-42
1685
1590
1530
36-48
2400
1600
790
1030
2595
1000
925
1830
1760
1710
40-36
1915
1820
1750
40-48
1930
1820
1750
40-56
2870
1800
870
1140
2810
1100
980
2045
1970
1918
44-39
2115
2020
1950
44-48
2130
2020
1950
44-56
3380
2000
950
1250
3100
1100
980
2265
2180
2125
48-42
2325
2230
2150
48-48
2345
2230
2150
48-62
4010
Note: if users are resistant to special requirements such as rubber, etc., please specify when ordering.

The best quality, first-class service Qigao creates more value for you!

"Qigao Valve" expects to continuously improve service quality and strive for excellence. "Sincere service" is the eternal theme of "Qigao". "Qigao" strictly followsIS09001-2000 Quality system certification requirements, strict quality control, responsibility to people, to ensure the healthy operation of production, sales and service. Strengthen communication with users and provide quality products to our customers with perfection and perfect service. Hereby our factory makes the following commitments:

Product Standards:

Products in strict accordance with ChinaGB、HG Standard and USAPISuch as standard design, manufacturing, acceptance. The hardness of the sealing surface meets the requirements of the state and the width exceeds the national standard.

pre-sale service:

Product introduction, technical exchange, non-standard product design, troubleshooting。

Sale service:

A trustworthy contract guarantees timely delivery and keeps in touch with customers. For special or duplicate products, our factory arranges technicians to use and troubleshoot the products for users.

After sales service:

1、"Qigao" brand product quality period is from the factory12In the month, the implementation of the "three guarantees" service (return, replacement, warranty).

2、During the use of our products, our factory regularly organizes technical and quality inspection personnel to visit and consult users for feedback on product quality, usage status and improvement opinions, so as to further improve product quality.

3、Respond quickly to the quality of user complaints, after-sales service personnel rushed to the scene in 24-36 hours (48 hours outside the province).

4、For after-sales service, users are required to fill out the quality feedback information form after the service and make an appraisal opinion in order to improve the service quality of Qigao.

1、If the customer has special requirements for the product, the following instructions must be provided in the order contract.:

a、Structure length;

b、Connection Type;

c、Nominal diameter, full diameter, reduced diameter, pipe size;

d、Operating medium and temperature, pressure range;

e、Tests, inspection standards and other requirements

2、The factory can configure various types of driving devices according to customer's specific requirements.。

3、If the type and model of the valve are determined by the customer, the customer shall correctly state the meaning and requirements of the model and sign the contract under the condition that the supplier and the buyer understand each other.

4、For futures and order customers, please call us in advance to tell the required valve model, specification, quantity, delivery time and location, and timely transfer to the factory account according to the total 30% deposit or full payment. The rest of the payment is pending. Import before shipment to arrange delivery in time.

 

Order Process:

1、Customer purchase list fax to021-33872143,Or call us 021-33872141

2、Receive customer purchase list, provide valve model selection and quotation (price list)。

3、Specific agreement: delivery date, special requirements, etc.。

download Google:

1、If the customer has special requirements for the product, the following instructions must be provided in the order contract.:

a、Structure length;

b、Connection Type;

c、Nominal diameter, full diameter, reduced diameter, pipe size;

d、Operating medium and temperature, pressure range;

e、Tests, inspection standards and other requirements

2、The factory can configure various types of driving devices according to customer's specific requirements.。

3、If the type and model of the valve are determined by the customer, the customer shall correctly state the meaning and requirements of the model and sign the contract under the condition that the supplier and the buyer understand each other.

4、For futures and order customers, please call us first to tell the required valve model, specifications, quantity, delivery time and location, and press the total30%The deposit or full payment will be remitted to our factory account in time., The rest of the payment will be remitted before shipment to arrange delivery in time.。

Sale service:

Trustworthy contract, guarantee timely delivery, keep in touch with customers at any time。

For special or duplicate products, our factory arranges technicians to use and troubleshoot the products for users.

After sales service:

1、"Qigao" product quality period is from the factory12Month, practiceThree packsService (return, replacement, warranty)。

2、During the use of our products, our factory regularly organizes technical and quality inspection personnel to visit and consult users for feedback on product quality, usage status and improvement opinions.,
In order to further improve product quality。

3、Respond quickly to the quality of user complaints, after-sales service personnel24-36Hours (outside the province48Hour) rushed to the scene。

4、For after-sales service, the user is required to fill out the quality feedback information form after the service and make an appraisal opinion in order to improve the service quality of “Qigao”.。

statement

  1. All text, data and pictures in this article are for reference only.D941X electric flange soft seal butterfly valvePlease contact us at 4000-700-665 for details of performance, size and price.
  2. If there is no explanation, this article is original, reprint, please indicate the address of this article, thank you for your cooperation!